2026-01-09 11:00:20

If you’re gonna be a hacker eventually you’re gonna have to write code. And if you write code eventually you’re gonna have to deal with concurrency. Concurrency is what we call it when parts of our program run at the same time. That could be because of something fairly straightforward, like multiple threads, or multiple processes; or something a little more complicated such as event loops, asynchronous or non-blocking I/O, interrupts and signal handlers, re-entrancy, co-routines / fibers / green threads, job queues, DMA and hardware level concurrency, speculative or out-of-order execution at CPU-level, time-sharing on single-core systems, or parallel execution on multi-core systems. There are just so many ways to get tied up with concurrency.
In this video from [Core Dumped] we learn about The ’80s Algorithm to Avoid Race Conditions (and Why It Failed). This video explains what a race condition looks like and talks through what the critical section is and approaches to protecting it. This video introduces an old approach to protect the critical section first invented in 1981 known as Peterson’s solution, but then goes on to explain how Peterson’s solution is no longer reliable as much has changed since the 1980s, particularly compilers will reorganize instructions and CPUs may run code out of order. So there is no free lunch and if you have to deal with concurrency you’re going to want some kind of support for a mutex of some type. Your programming language and its standard library probably have various types of locks available and if not you can use something like flock (also available as a syscall, to complement the POSIX fnctl), which may be available on your platform.
If you’re interested in contemporary takes on concurrency you might like to read Amiga, Interrupted: A Fresh Take On Amiga OS or The Linux Scheduler And How It Handles More Cores.
2026-01-09 08:00:39

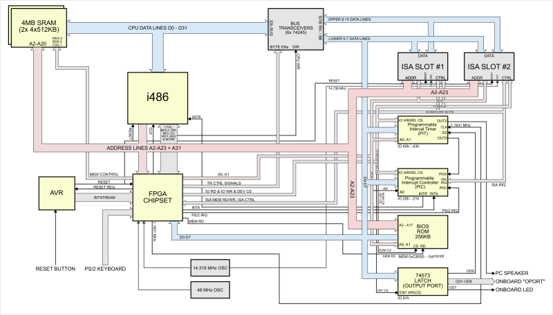
Given the technical specs of the FPGAs available to hobbyists these days, it really shouldn’t be a shock that you can implement a 486 core on one. In spite of knowing that in the technical sense, we were still caught off guard by [maniek-86]’s M8SBC project that does just that– the producing a 486 FPGA chipset with a motherboard to boot.
Boot what? Linux 2.2.6, MS-DOS 6.22 or FreeDOS all work. It can run DOOM, of course, along with Wolfenstien 3D, Prince of Persia, and even the famous Second Reality demo– though that last without sound. [maniek-86]’s implementation is lacking direct memory access, so sound card support is right out. There are a few other bugs that are slowly being squished, too, according to the latest Reddit thread.
The heart of the system is a Xilinx Spartan II XC2S100 FPGA, which serves as both CPU and BIOS. The BIOS code is based on an open-source project by [b-demitri1] that’s also on GitHub, if you happen to need a PC BIOS. The FPGA isn’t doing everything: graphics is, as right and proper for a PC-compatible of this vintage, provided by an ISA card. [maniek] has tested several VGA cards and all apparently worked equally well, so that aspect of the system is apparently well in hand. The 4MB of system RAM seems pretty reasonable for a 486 build, as does restricting peripherals to PS/2 and the aforementioned ISA bus. We might have gone for a faster clock default than 24MHz, but that’s well within historical territory. Only a few bugs and the pesky lack of a DMA controller keep this from being a true PC-Compatible build, and that’s pretty amazing for one human’s hobby project.

Eventually, as stocks dwindle, reproducing retrocomputers in FPGA– as was recently done with the MSX standard–may be the only way to enjoy them. That’s probably least true of the 486, which lived on for decades in industrial hardware, but that doesn’t take away from how impressive this build is.
Thanks to [sven] for the tip! Remember: if you see something, say something, because Big Hacker isn’t always watching. (We leave that to the tech giants.)
2026-01-09 05:00:44

If you live in snow country and own a home, you either have a snowblower or wish you did. The alternatives are either an expensive and potentially unreliable plow service, or back-breaking (and heart-attack inducing) shoveling. [RCLifeOn] was one of those people in the second category, until he decided to do something about it: electrifying a scrap snowblower with a blown engine.
The usual brushless DC motors and electronic speed controllers [RCLifeOn] has on hand to get his R/C life on with don’t quite have enough oomph to handle both functions of a snowblower. For those of you cursed to live in warmer climes, the modern snowblower is both self-propelled via its twin wheels, and generally has a two-stage powered snow-removal “blower” consisting of an auger to break up the snow and an impeller to blast it out of the machine and many meters off the driveway. On the traditional gas-powered models, these are both powered via belts off the same motor, but that wasn’t going to work.
He kept the belts, and simply used a pair of motors, each with their own ESCs that are controlled via oversized thumb wheels on the handles. The belts couple to the motors with 3D printed pulleys. Belt tension is achieved in the case of the wheels through a simple and sensible shimming arrangement. In the case of the blower motor, he uses a 3D printed adjustable mount to get the appropriate tension. To help it hold long-term (given the issues with creep in 3D prints) he’s got a bearing on a second mount opposite the motor. It holds up for his demo, which consists of clearing a driveway of 10cm of snow and then plowing through a pile larger than the mouth of the machine. In other words: it works.
The build, as unfortunately common on YouTube, is shy on specific details– but in this case that’s fine. Even if he’d open-sourced everything and posted STEP or STL files, it wouldn’t save much time since you’d pretty well have to re-engineer the build to fit your own snowblower, if you were so inclined. As with many hacks of this nature, the point of sharing it is to show how easy it is and provide the inspiration. As the cartoons used to say, “knowing is half the battle.”
If one was to re-implement this hack, we could not encourage you strongly enough to put in the standard dead-man’s switch, a feature commercial snowblowers share with things like lawnmowers. As annoying as it is to hang onto with frozen fingers, that safety feature is there for a reason.
If your driveway is short, you can save on gas and fuel costs with an extension cord. Or you could just stay inside and do the job by remote control, but that comes with its own pitfalls.
2026-01-09 03:30:45

Regardless of what your opinion is on cult-classic movies that got mixed-to-negative box office reviews when they were released, you have to admire the ones that went all out on practical effects and full-size constructions rather than CGI and scale models. Case in point the 1976 satirical comedy film The Big Bus that featured an absolutely massive articulated double-decker bus. With 32 wheels and multiple levels you’d think that a scale model would be used since most interior shots were done in the studio, but instead they built a real bus.
In this video by [Timeworn lengends] the genesis and details of the vehicle are covered. At the core of this road-worthy bus are two cabover International trucks, which were temporarily attached with a quick-release mechanism and required a second driver for the rear section who followed radio instructions for steering. In 1976 dollars, the entire bus prop cost between $250,000 and $500,000 USD to construct — making it one of the most expensive props ever made, especially considering the relatively low budget.
A fiberglass shell gave the bus its characteristic design, with the over the top ‘nuclear reactor’ propulsion befitting the comedy satire. Although the bowling alley and swimming pool were not really inside the bus, there was a functional bar installed along with the functional cockpit at the front.
Despite the movie flopping at the box office and critics being very mixed on its merits, it’s hard to deny that this bus prop is very unique and probably has a big part in why the movie has become a cult classic. As for the closest real-life equivalent, there is the articulated, double-decker Neoplan Jumbocruiser, which had its own troubled history.
2026-01-09 00:30:22

There’s an old adage in photography that the best camera in the world is the one in your hand when the shot presents itself, but there’s no doubt that a better camera makes a difference to the quality of the final image. Among decent quality cameras the Leica rangefinder models have near cult-like status, but the problem is for would-be Leica owners that they carry eye-watering prices. [Cristian Băluță] approached this problem in s special way, by crafting a Leica-style body for a Panasonic Lumix camera. Given the technology relationship between the Japanese and German companies, we can see the appeal.
While the aesthetics of a Leica are an important consideration, the ergonomics such as the position of the lens on the body dictated the design choices. He was fortunate that the internal design of the Lumix gave plenty of scope for re-arrangement of parts, given that cameras are often extremely packed internally. Some rather bold surgery to the Lumix mainboard and a set of redesigned flex PCBs result in all the parts fitting in the CNC machined case, and the resulting camera certainly looks the part.
The write-up is in part a journey through discovering the process of getting parts manufactured, but it contains a lot of impressive work. Does the performance of the final result match up to its looks? We’ll leave you to be the judge of that. Meanwhile, take a look at another Leica clone.
2026-01-08 23:00:08

No matter the item on my list of childhood occupational dreams, one constant ran throughout: I saw myself using an old-fashioned punch clock with the longish time cards and everything. I now realize that I have some trouble with the daily transitions of life. In my childish wisdom, I somehow knew that doing this one thing would be enough to signify the beginning and end of work for the day, effectively putting me in the mood, and then pulling me back out of it.
But that day never came. Well, it sort of did this year. I realized a slightly newer dream of working at a thrift store, and they use something that I feel like I see everywhere now that I’ve left the place — a system called UKG that uses mag-stripe cards to handle punches. No it was not the same as a real punch clock, not that I have experience with a one. And now I just want to use one even more, to track my Hackaday work and other projects. At the moment, I’m torn between wanting to make one that uses mag-stripe cards or something, and just buying an old punch clock from eBay.
I keep calling it a ‘punch clock’, but it has a proper name, and that is the Bundy clock. I soon began to wonder how these things could both keep exact time mechanically, but also create a literal inked stamp of said time and date. I pictured a giant date stamper, not giant in all proportions, but generally larger than your average handheld one because of all the mechanisms that surely must be inside the Bundy clock. So, how do these things work? Let’s find out.
Since the dawn of train transportation and the resulting surge of organized work during the industrial revolution, employers have had a need to track employees’ time. But it wasn’t until the late 1880s that timekeeping would become so automatic.

Willard Le Grand Bundy was a jeweler in Auburn, New York who invented a timekeeping clock in 1888. A few years later, Willard and his brother Harlow formed a company to mass-produce the clocks.
By the early 20th century, Bundy clocks were in use all over the world to monitor attendance. The Bundy Manufacturing Company grew and grew, and through a series of mergers, became part of what would become IBM. They sold the time-keeping business to Simplex in 1958.
Looking at Willard Le Grand Bundy’s original clock, which appears to be a few feet tall and demonstrates the inner workings quite beautifully through a series of glass panels, it’s no wonder that it is capable of time-stamping magic.
Part of that magic is evident in the video below. Workers file by the (more modern) time clock and operate as if on autopilot, grabbing their card from one set of pockets, inserting it willy-nilly into the machine, and then tucking it in safely on the other side until lunch. This is the part that fascinates me the most — the willy-nilly insertion part. How on Earth does the clock handle this? Let’s take a look.
Okay, first of all, you probably noticed that the video doesn’t mention Willard Le Grand Bundy at all, just some guy named Daniel M. Cooper. So what gives? Well, they both invented time-recording machines, and just a few years apart.
The main difference is that Bundy’s clock wasn’t designed around cards, but around keys. Employees carried around a metal key with a number stamped on it. When it was time clock in or out, they inserted the key, and the machine stamped the time and the key number on a paper roll. Cooper’s machine was designed around cards, which I’ll discuss next. Although the operation of Bundy’s machine fell out of fashion, the name had stuck, and Bundy clocks evolved slightly to use cards.
You would maybe think of time cards as important to the scheme, but a bit of an afterthought compared with the clock itself. That’s not at all the case with Cooper’s “Bundy”. It was designed around the card, which is a fixed size and has rows and columns corresponding to days of the week, with room for four punches per day.

Essentially, the card is mechanically indexed inside the machine. When the card is inserted in the top slot, it gets pulled straight down by gravity, and goes until it hits a fixed metal stop that defines vertical zero. No matter how haphazardly you insert the card, the Bundy clock takes card of things. Inside the slot are narrow guides that align the card and eliminate drift. Now the card is essentially locked inside a coordinate system.
So, how does it find the correct row on the card? You might think that the card moves vertically, but it’s actually the punching mechanism itself that moves up and down on a rack-and-pinion system. This movement is driven by the timekeeping gears of the clock itself, which plot the times in the correct places as though the card were a piece of graph paper.
In essence, the time of day determined the punch location on the card, which wasn’t a punch in the hole punch sense, but a two-tone ink stamp from a type of bi-color ribbon you can still get online.
There’s a date wheel that selects the row for the given day, and a time cam to select the column. The early time clocks didn’t punch automatically — the worker had to pull a lever. When they did so, the mechanism would lock onto the current time, and the clock would fire a single punch at the card at the given coordinates.

By the mid-century, time clocks had become somewhat simpler. No longer did the machine do the plotting for you. Now you put them in sideways, in the front, and use the indicator to get the punch in the right spot. It’s not hard to imagine why these gave way to more modern methods like fingerprint readers, or in my case, mag-stripe cards.
This is the type of time clock I intend to buy for myself, though I’m having trouble deciding between the manual model where you get to push a large button like this one, and the automatic version. I’d still like to build a time clock, too, for all the finesse and detail it could have by comparison. So honestly, I’ll probably end up doing both. Perhaps you’ll read about it on these pages one day.