2026-01-12 14:00:30

It used to be a rite of passage to be able to do the math necessary to design various bipolar transistor amplifier configurations. This doesn’t come up as often as it used to, but it is still a good skill to have, and [Void Electronics] walks us through a common emitter amplifier in a recent video you can see below.
The input design parameters are the gain and the collector voltage. You also have to pick a reasonable collector current within the range for your proposed device that provides enough power to the load. You also pick a quiescent voltage which, if you don’t have a good reason for picking a different value, will usually be half the supply voltage.
The calculations are approximate since the base-emitter voltage drop will vary by temperature, among other things. But, of course, real resistors won’t have the exact values you want, or even the exact value marked on them, so you need a little flexibility, anyway.
There are other ways to approach the design. But most design guides will make the same assumptions: Ic=Ie, base current is negligible, and similar simplifying assumptions.
At the end, the circuit winds up on a breadboard so you can see how close the predicted performance is to the design.
We’ve covered biasing bipolar devices a number of times. We’ve even modeled circuit variations in a spreadsheet.
2026-01-12 11:00:52

Variable capacitors may be useful, but the air gap that provides their capacitance is their greatest weakness. Rather than deal with the poor dielectric properties of air, some high-end variable capacitors replace it with a vacuum, which presents some obvious mechanical difficulties, but does give the resulting capacitor a remarkable quality factor, high-voltage performance, and higher capacitance for plate area than their air-gapped brethren. [Shahriar] of [The Signal Path] managed to acquire a pair of these and took a detailed look at their construction and performance in a recent video.
The vacuum capacitors don’t use quite the same parallel plate design as other variable capacitors. They instead make the plates out of interlaced concentric metal rings mounted in a vacuum tube. Both sets of rings are connected to terminals, one fixed and one capable of being pulled in or out on a threaded rod surrounded by an accordion-pleated copper seal. A nut on the outside pulls the rod out, and the interior vacuum pulls it in toward the other set of plates. Unfortunately, since the mobile terminal needs to be mechanically connected to some adjustment mechanism (such as someone’s hand), it can’t really be at a floating voltage. The mobile terminal needs to be grounded for safety. Alternatively, for automatic control, one of the capacitors had a chassis with a motor, gearing, and a positional encoder.
[Shahriar] also tested the capacitors with an impedance analyzer and lock-in amplifier. They had fairly low capacitance (for the one he tested, 36 pF at maximum and 16 pF at minimum), but the dissipation factor was so low and the DC impedance so high that they couldn’t be meaningfully measured. He also tested one at 5000 volts and found almost no dissipation.
We recently saw another video going over a lesser-known feature of normal air-gap variable capacitors and another new non-standard variable capacitor design. On the opposite end of the fanciness spectrum might be this variable capacitor built out of aluminium cans.
2026-01-12 08:00:26

At the risk of starting a controversy: is there anyone who goes to the effort of setting up Home Assistant who wouldn’t really rather be living on the Enterprise-D? If such a person exists, it’s not [steve-gibbs5], who has not only put together a convincing LCARS dashboard on an Android tablet, but has also put together an easy-to-follow Instructable so you can too.
In case you’ve been monkishly avoiding television since the mid-1980s, LCARS is the high-tech touchscreen interface used on Star Trek: The Next Generation and its sequels. It’s an iconic, instantly-recognizable aesthetic, and we think [Steve] nailed it, even if he was taking design cues from Voyager, which is… not everyone’s favorite trek, to put it mildly. Though perhaps the haters are looking back on it a bit more fondly when compared to some more modern adaptations. Check it out in action in the video embedded below.
The secret to getting your Android tablet looking like a 24th-century terminal is an application called “Total Launcher“, which allows one to customize one’s homescreen to a very high degree. [Steve] shows us how he styled Total Launcher, but that custom home screen isn’t enough on its own. Those futuristic buttons need to do something, which is where a second app called Tasker comes in. Tasks in Tasker are linked to the LCARS interface and the smart home features — in [Steve]’s case, Amazon Alexa, but it looks like Google’s spyware or the open-source Home Assistant are equally viable options.
We saw Star Trek style on Raspberry Pi back in the day, but nothing says your smart home has to be Trek-themed. You could even control it via a dumb terminal if that’s more your style.
2026-01-12 05:00:51

EDM (Electrical Discharge Machining) is one of those specialised manufacturing processes that are traditionally expensive and therefore somewhat underrepresented in the DIY and hacker scenes. It’s with great delight that we present EnderSpark, a solution to not one but two problems. The first problem is how to perform CNC operations on hard-to-machine materials such as hardened metals (without breaking the bank). The second problem is what to do with all those broken and forgotten previous-generation Creality Ender 3D printers we know you have stashed away.
To be honest, there isn’t much to a cheap 3D printer, and once you ditch the bed and extruder assembly, you aren’t left with a lot. Anyway, the first job was to add a 51:1 reduction gearbox between the NEMA 17 motors and the drive pullies, giving the much-needed boost to positional accuracy. Next, the X and Y axes were beefed up with a pair of inexpensive MGN12H linear rails to help them cope with the weight of the water bath.
The majority of the work is in the wire feeder assembly, which was constructed around a custom-machined aluminium plate.
It’s not lost on us how the original RepRap bootstrapping concept could be applied here: a basic frame made externally in a low-cost material, then using the machine to cut a much thicker, stronger copy for its own upgrade. The main guide nozzle is an off-the-shelf ruby part surrounded by a 3D printed water-cooling jacket. To maximise power transfer from the wire into the electrically conductive workpiece material, the top part of the wire feeder, including the wire itself, is one electrode, and the entire bottom part of the frame is electrically isolated from it. The bottom part pulls the ‘consumed’ stock wire through the nozzle above and keeps it under tension, sending it onward to the waste spool.
Electrically speaking, the project is based on stock Ender electronics, with an additional power driver stage to send capacitor-discharge-derived pulses down the wire from the 48V power supply, up to 10A, generating the needed tiny sparks as the wire is advanced into the electrically grounded workpiece. Industrial machines operate around twice this voltage, but safety is a big issue with a DIY machine. Not to mention 48V and water don’t make the best of friends. Speaking of water, it needs to be de-ionised to reduce dielectric loss, but ionic contamination will build up over time, so it needs to be regularly changed.
Software-wise, the machine is running on G-code, so all that is needed is a custom plugin for Fusion 360 to turn the extracted toolpath (they’re using the Wazer water cutter profile as a basis) into G-code, with knowledge of the material. There aren’t too many variables to play with there.
In the future, a few things are being considered. Adding closed-loop control of the pulse energy would be straightforward, but controlling the horizontal feed rate would be a little trickier to implement with a pure G-code approach. We’ll keep an eye on the project and report back any advances!
If you’re thinking you’ve seen this sort of thing before, you’re right. Here’s another DIY EDM machine, and another, and finally, a Kickstarter we covered a while back that converts any 3D printer into a wire EDM.
Thanks [irox] for the tip!
2026-01-12 02:00:19

At some point during our primary school careers, most of us probably constructed a simple compass, often by floating a magnetized needle on a cork in a cup of water. The water in such a configuration not only lets the needle spin without friction, but also dampens out (so to speak) the needle’s tendency to swing back and forth across the north-south line. Liquid-filled compasses use the same principle, but even well-made compasses can develop bubbles when exposed to temperature or pressure variations. Rather than accept this unsightly state of affairs, [The Map Reading Company] designed a new kind of liquid-free, inductively-damped compass.
It’s hard to design a compass that settles quickly, even if it uses a strong magnet, because the Earth’s own magnetic field is just so weak, and the stronger the internal magnet is, the more likely it is to be thrown off by nearby magnetic objects. As a result, they tend to swing, overshoot, and oscillate around their final orientation for some time. Most compasses use liquid to damp this, but a few, mostly military compasses, use a conductive baseplate instead: as the magnet moves, it induces eddy currents in the baseplate, which create a weak magnetic field opposing its motion, slowing the magnet down. Inductively-damped compasses don’t get bubbles, but they don’t let you see a map through the baseplate. [The Map Reading Company] dealt with this by making the baseplate transparent and surrounding the compass needle with a ring of high-conductivity copper alloy. This gave him a clear baseplate compass for easy map reading which would never develop bubbles. It’s a simple hack, and should be easy to replicate, but it still seems to be a new design. In fact, [The Map Reading Company] is releasing most of the design to the public domain. Anyone can build this design.
If this prompts your interest in compasses, check out the Earth inductor compass. We’ve also seen a visualization of the eddy currents that damp these oscillations, and even seen them used to drive a bike.
Thanks to [Mel] for the tip!
2026-01-11 23:00:56

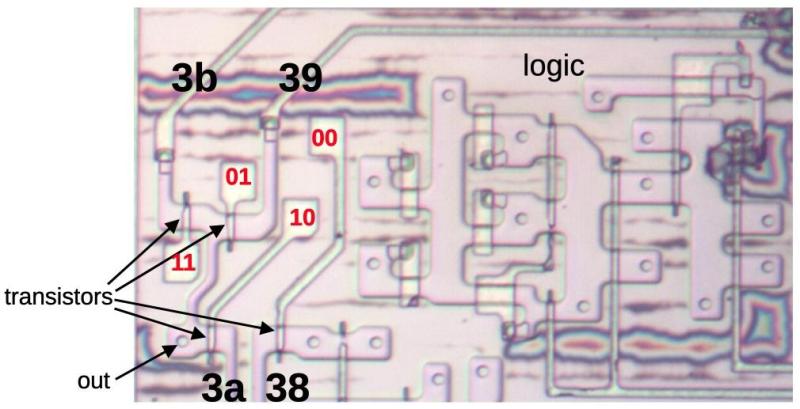
Continuing his reverse-engineering of the Intel 8087, [Ken Shirriff] covers the conditional tests that are implemented in the microcode of this floating point processing unit (FPU). This microcode contains the details on how to perform the many types of specialized instructions, like cos and arctan, all of which decode into many microcode ops. These micro ops are executed by the microcode engine, which [Ken] will cover in more detail in an upcoming article, but which is effectively its own CPU.
Conditional instructions are implemented in hardware, integrating the states of various functional blocks across the die, ranging from the instruction decoder to a register. Here, the evaluation is performed as close as possible to the source of said parameter to save on wiring.
Implementing this circuitry are multiplexers, with an example shown in the top die shot image. Depending on the local conditions, any of four pass transistors is energized, passing through that input. Not shown in the die shot image are the inverters or buffers that are required with the use of pass transistors to amplify the signal, since pass transistors do not provide that feature.
Despite how firmly obsolete the 8087 is today, it still provides an amazing learning opportunity for anyone interested in ASIC design, which is why it’s so great that [Ken] and his fellow reverse-engineering enthusiasts keep plugging away at recovering all this knowledge.